Rex Omega, Rex Viva & Dura-Flex Couplings
These elastomer couplings have polyurethane membrane which are flexible in many ways, lightweight and consist of minimum components. The PU element is of two piece design and splits into two upon removal. The hubs remain intact on the shafts thereby saving time for engineers. The standard and spacer couplings use the same hubs.
TBWoods and Rexnord manufacture these couplings. Engineers can interchange between Omega and Dura-Flex series. However, Rex Viva is of a compact series allowing it to be used for large shafts and transmit greater torque than others. Rex Viva cannot be interchanged with Omega or Dura-Flex.
We have now added to our inventory Korea made replacement Rex Omega couplings which have the same quality, dimensions and are economically priced. Contact us today for your requirements.
Engineers may also be interested in other economical flexible couplings. More information can be found below:
  • NM Flexible couplings
  • MH Flexible couplings
  • L type Flexible couplings
  • FCL Flexible couplings
  • HRC Flexible couplings

Back to torque couplings

Rex omega
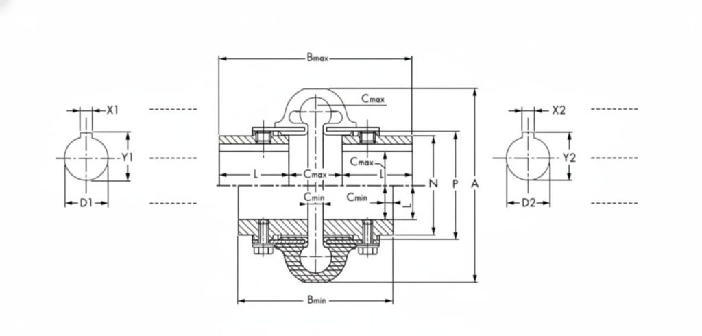
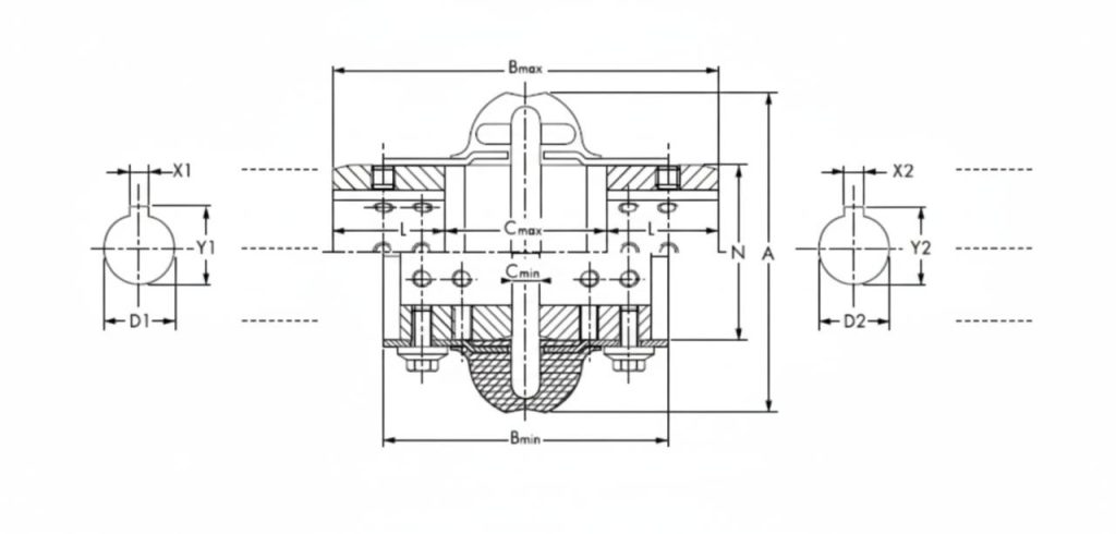
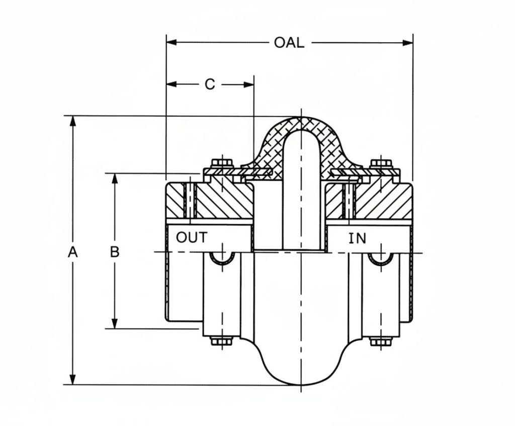
Dura-Flex couplings standard version size list
Rex viva
Rex Omega couplings standard version size list
Rex Omega, Rex Viva
Rex Viva couplings standard version size list
Dura-Flex Couplings